Projekt " Europäisches Patentamt München"
EPA "PSCHORRHÖFE" München
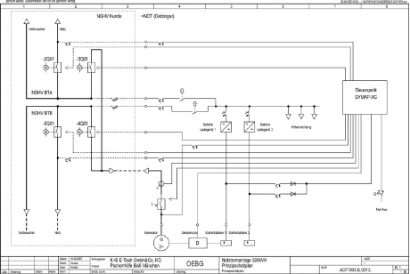
Anlage: Notstrom 500 kVA
Motor: Volvo TAD 1641 GE
Generator: MeccAlte ECO 40 3S4
Bildergallerie
![]() |
![]() |
![]() |
![]() |
![]() |
||||
![]() |
||||||||
Herausforderungen
- Einbringung über zu kleine Öffnung
- Aggregat musste ca. 85 ° geneigt eingebracht werden
Ausführung
- Notstromautomatik mit Rücksynchronisierung
- 2 Netze / Steuerung von 4 Leistungsschaltern
- 2 Batterieblöcke mit autom. Umschaltung
- Lecküberwachung
- Sprinklerbetrieb






